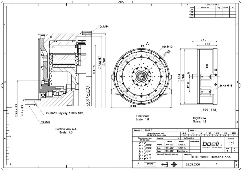
DDHPS300

sps30

bhb line